METAL ELECTROMAGNETIC
Electromagnetic level gauges use the force of a magnet in the float to change the electrical status of a reed switch.
 
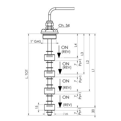
P39 Electromagnetic level sensor
VS
Compare this product with other Level sensors
P39 Electromagnetic level sensor
Use
Mineral oils - Diesel fuel - Petrol - Water
Fixing
Aluminium Anodized 1” Gas
Output signals
N.C. - N.O.


RELATED PRODUCTS
PRESSURE SWITCHES

Pressure switches are generally used in industrial and automotive applications, where there is a requirement to produce an electrical signal once a certain pressure value is reached. The signal is used as input or an alert.

CONTINUE
TEMPERATURE SENSORS

We design and manufacture single-pole thermostats with bimetal disc and quick-opening contacts, available in various configurations. Custom temperature probes and sensors with a continuous signal are available on specific request. They are mainly used for temperature control in hydraulic systems, radiators, heat exchangers, lubrication systems, the automotive, refrigeration and heating systems, coffee-making machines, automatic beverage vending machines, electric household appliances, etc.

CONTINUE
News and Events

09/02/2026

2026 opens with a strong focus on trade fairs and international markets

CONTINUE
Press Area

05/12/2024

Italian excellence in industrial sensor tecnology

CONTINUE
browse online and download our catalogue
DOWNLOAD
Array
(
    [p1] => electromagnetic-level-sensor-75
    [p2] => metal-electromagnetic-11
    [p3] => level-sensors-2
    [modulo] => schedaprodotto
)
Array
(
    [TokenComparatore] => 2e59adf826760463bfcbc7ff1aff65c2
)
2e59adf826760463bfcbc7ff1aff65c2